Haws 1119.14HO Touchless Push Button Dual Fountain ADA

Haws 1119. Haws 1119.14HO Touchless Push Button Dual Fountain ADA This wall mounted fountain offers the 'only' all stainless-steel valve body that is machined out of solid bar stock, is. The Haws 1119 barrier-free Hi-Lo drinking fountain uses a patented stainless steel, push-button activated, valve assembly allowing for front access stream adjustment as well as cartridge and strainer access

Haws 1119 HiLo, Barrier Free, SS,Integral Bowl w/ Bottle Filler
Haws 1119 HiLo, Barrier Free, SS,Integral Bowl w/ Bottle Filler from www.drinkingfountaindoctor.com

DetailsChoose a reliable and accessible way for guests, customers, and staff to quench their thirst with this Haws 1119 dual 18 gauge rounded corner vandal-resistant push-button drinking fountain The Haws 1119.14 barrier-free Hi-Lo vandal-resistant drinking fountain uses a patented stainless steel, push-button activated, valve assembly allowing for front access stream adjustment as well as cartridge and strainer access

Haws 1119 HiLo, Barrier Free, SS,Integral Bowl w/ Bottle Filler

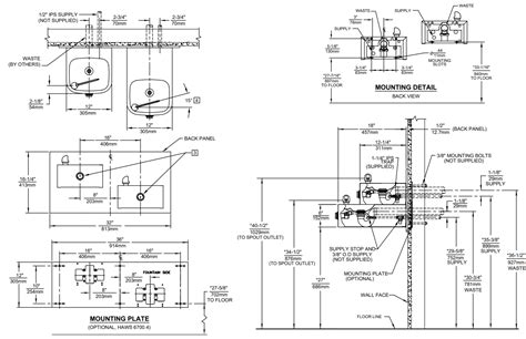
Touting an 18 gauge type 304 stainless steel basin and wall bracket, this unit is very durable. 05/08 Model 1119.14/1119.14A Page 2 of 4 RECOMMENDED TOOLS: Hack saw, pipe joint sealant, screwdriver,. This wall mounted fountain offers the 'only' all stainless-steel valve body that is machined out of solid bar stock.

Haws 1119.14, "HiLo" BarrierFree, Wall Mounted, Dual 14 Gauge Satin. 05/08 Model 1119.14/1119.14A Page 2 of 4 RECOMMENDED TOOLS: Hack saw, pipe joint sealant, screwdriver,. 1119.14 Wall Mounted Drinking Fountain Push Button With its patented (Pat.# 6,981,692) push-button valve assembly

Haws 1119 HiLo BarrierFree, Wall Mounted Drinking Fountain. The Haws 1119.14 barrier-free Hi-Lo vandal-resistant drinking fountain uses a patented stainless steel, push-button activated, valve assembly allowing for front access stream adjustment as well as cartridge and strainer access This wall mounted fountain offers the 'only' all stainless-steel valve body that is machined out of.